Описание
Характеристики
Отзывы
Сопутствующие файлы
Вопрос-Ответ 0
Командоконтроллер AMT со встроенным термостатом и недельным таймером
Применяется с водяными тепловентиляторами ГРЕЕРС ВС. Управление ручное или автоматическое. Режимы: обогрев, охлаждение, вентиляция. Функция самодиагностики в случае неисправности датчика отображает код ошибки на дисплее.
Возможности командоконтроллера:
- автоматическая или ручная регулировка работы
- контроль температуры воздуха в помещении (через открытые/закрытие клапана или настройку производительности вентилятора)
- подключение внешнего датчика температуры NTC
Возможность подключения:
- до 5 аппаратов ГРЕЕРС ВС 1110 I 1220 I 1230 I 1320C;
- до 2 аппаратов ГРЕЕРС ВС 2125 I 2245 I 2365 I 2340C;
- до 1 аппарата ГРЕЕРС ВС 3275 I 33100.
(для управления большим количеством аппаратов необходимо использовать распределительную коробку SW).
Технические характеристики:
| Питание: | 230 В/50 Гц |
| Диапазон настройки температуры: | +5…+35°C |
| Диапазон рабочей температуры: | 0…+50°C |
| Датчик температуры: | встроенный внутренний / внешний NTC (опционально) |
| IP: | 20 |
| Установка: | настенная |
| Таймер: | 7 дней, 6 временных диапазонов |
| Коммуникация с BMS: | Протокол MODBUS-RTU, стандарт RS485 |
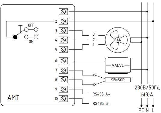
Схема подключения:

ГреерсВсе товары бренда

Характеристики
Особенности оплаты:
Доступен Яндекс Сплит (оплата частями)
Общие характеристики
Бренд:
Вид комплектующего:
Комплектующие для
водяных тепловентиляторов ГРЕЕРС ВС с двигателем типа АС
Цвет:
Белый
Гарантия:
2 года
Электропитание:
220
Тип двигателя:
Степень пылевлагозащиты:
IP20
Управление по Wi-Fi:
Нет
Монтаж (установка)
Вариант установки
Для настенной установки
Габаритные размеры
Размер (Ш×В×Г), мм:
125 × 83.5 × 25
Размеры в упаковке (Ш×В×Г), мм:
170 × 100 × 80 мм
Вес в упаковке:
0.3 кг
Отзывов ещё нет — ваш может стать первым.
Все отзывы 0
Спасибо!Ваш отзыв появится на сайте после проверки.
Сопутствующие файлы
- 1706185602_amt_tehdokumentatsiya (2).pdf (757.05 KBytes)
Подборки товаров в категории















































